减速机厂家认准淄博汇益减速机械,型号全
山东减速机专业厂家,供货充足,品质放心


手机浏览
更方便
WXJ型蜗轮蜗杆齿轮减速机是传动的阿基米德圆柱蜗杆减速器,WXJ型蜗轮蜗杆齿轮减速机具有体积比普通蜗轮减速机小,重量轻的特点,广泛用于矿山、冶金、水泥、建筑等各机械设备的减速传动。
WXJ型蜗轮蜗杆齿轮减速机(蜗杆下置)型为传动的阿基米德圆柱蜗杆减速器。主要用于矿山、冶金、水泥、建筑等各机械设备的减速传动,蜗杆转速不超过1500r/min,工作环境温度为-40℃~+40℃,蜗杆可正反转,减速器具有自锁性。
WXJ型蜗轮蜗杆齿轮减速机主要参数表
|
型号 |
中心矩 |
速比 |
蜗杆头数 |
蜗杆齿轮 |
模数 |
配用功率KW |
|
WXJ-80 |
80 |
52 |
1 |
52 |
2.5 |
1.1~1.5 |
|
41 |
1 |
41 |
3 |
|||
|
20.5 |
2 |
|||||
|
30 |
1 |
30 |
4 |
|||
|
15 |
2 |
|||||
|
|
100 |
55 |
1 |
55 |
3 |
1.5~2.2 |
|
27.5 |
2 |
|||||
|
40 |
1 |
40 |
4 |
|||
|
20 |
2 |
|||||
|
31 |
1 |
31 |
5 |
|||
|
15.5 |
2 |
|||||
|
WXJ-120 |
|
50 |
1 |
50 |
4 |
2.2~3 |
|
25 |
2 |
|||||
|
39 |
1 |
39 |
5 |
|||
|
19.5 |
2 |
|||||
|
31 |
1 |
31 |
6 |
|||
|
15.5 |
2 |
|||||
|
WXJ-150 |
150 |
51 |
1 |
51 |
5 |
4.5~5.5 |
|
25.5 |
2 |
|||||
|
41 |
1 |
41 |
6 |
|||
|
20.5 |
2 |
|||||
|
33 |
1 |
33 |
7 |
|||
|
WXJ-180 |
180 |
51 |
1 |
51 |
6 |
5.5~7 |
|
37 |
1 |
37 |
8 |
|||
|
18.5 |
2 |
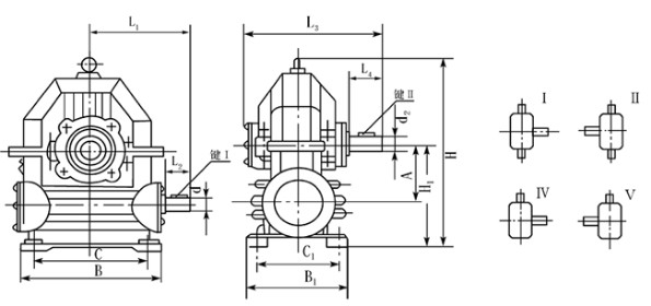
标记示例:
|
型号 |
A |
H1 |
H |
B |
B1 |
C |
C1 |
4--Φ |
L1 |
L2 |
L3 |
L4 |
d1 |
键I |
d2 |
键II |
|
WXJ80 |
80 |
160 |
285 |
210 |
160 |
145 |
115 |
4—Φ13 |
181 |
50 |
152 |
50 |
Φ22 |
6×40 |
Φ30 |
8×42 |
|
WXJ100 |
100 |
190 |
340 |
250 |
180 |
180 |
140 |
4—Φ18 |
191 |
50 |
176 |
65 |
Φ30 |
8×42 |
Φ40 |
12×55 |
|
WXJ120 |
120 |
220 |
380 |
275 |
200 |
200 |
150 |
4—Φ18 |
218 |
56 |
187 |
78 |
Φ30 |
8×50 |
Φ45 |
14×70 |
|
WXJ150 |
150 |
270 |
450 |
374 |
260 |
290 |
210 |
4—Φ24 |
277 |
65 |
227 |
90 |
Φ40 |
12×50 |
Φ55 |
16×80 |
|
WXJ180 |
180 |
320 |
540 |
420 |
320 |
300 |
260 |
4—Φ24 |
298 |
78 |
421 |
98 |
Φ45 |
14×68 |
Φ60 |
18×90 |